天奇股份获得实用新型专利授权:“一种总装滑板输送系统物流通道用拉绳开关”
57400
2025月06月18日
证券之星消息,根据天眼查APP数据显示天奇股份(002009)新获得一项实用新型专利授权,专利名为“一种总装滑板输送系统物流通道用拉绳开关”,专利申请号为CN202421609177.7,授权日为2025年6月3日。

图片来源于网络,如有侵权,请联系删除
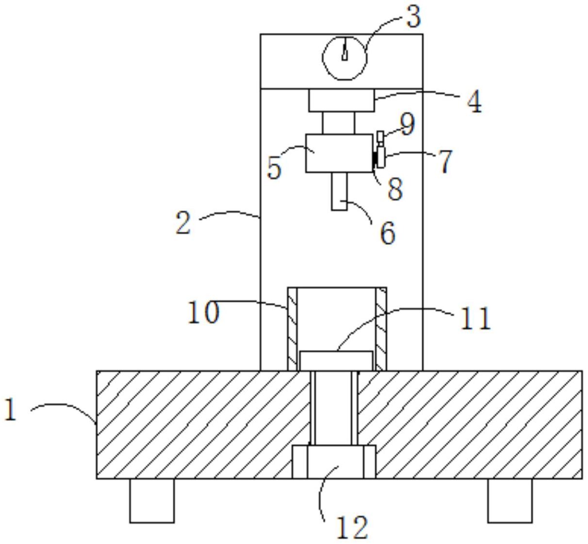
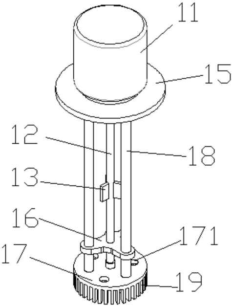
专利摘要:一种总装滑板输送系统物流通道用拉绳开关,其包括物流通道、车辆、护栏、拉绳开关和红绿灯,所述物流通道内有待通过的车辆,物流通道的两侧均设置有护栏,物流通道中部设置有与之垂直的移行机轨道,移行机轨道上安装有移行机,移行机轨道一端的底部设置有地面轨道,地面轨道上设置有两个滑板,地面轨道上滑板靠近一端的两侧底部均安装有地面摩擦轮,地面轨道上另一滑板中部的两侧底部均安装有移行机摩擦轮,移行机轨道与护栏交叉处设置有四个光栅,光栅对角处的护栏上均安装有区域扫描仪,光栅四角处均安装有拉绳开关,本实用新型结构新颖,构思巧妙,在人员或车辆沿物流通道穿过输送线时,避免了碰撞。

图片来源于网络,如有侵权,请联系删除
今年以来天奇股份新获得专利授权10个,较去年同期减少了78.72%。结合公司2024年年报财务数据,2024年公司在研发方面投入了1.15亿元,同比减15%。

图片来源于网络,如有侵权,请联系删除
数据来源:天眼查APP
以上内容为证券之星据公开信息整理,由AI算法生成(网信算备310104345710301240019号),不构成投资建议。