豪鹏科技获得实用新型专利授权:“一种卷绕装置”
55965
2026月02月25日
证券之星消息,根据天眼查APP数据显示豪鹏科技(001283)新获得一项实用新型专利授权,专利名为“一种卷绕装置”,专利申请号为CN202422804192.3,授权日为2026年2月10日。

图片来源于网络,如有侵权,请联系删除
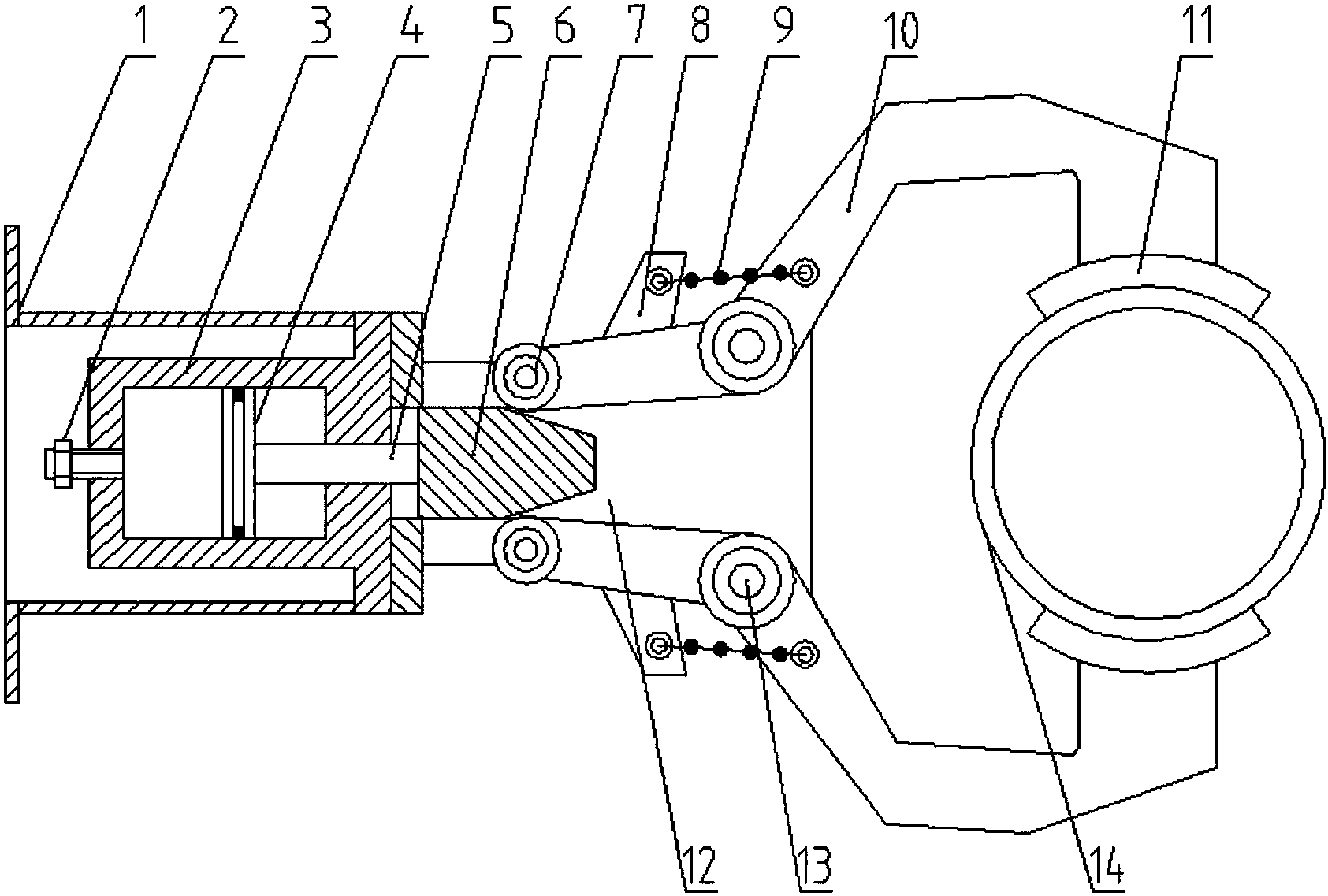
专利摘要:本实用新型涉及锂电池卷绕技术领域,具体涉及一种卷绕装置。包括安装座、卷针、气源和第一吹风组件,卷针设于安装座上,卷针用于将隔膜组件的一端进行固定,卷针能够转动,将隔膜组件缠绕在卷针的外周上;第一吹风组件设于安装座的一侧,第一吹风组件与气源连接,卷针位于竖直位置时,第一吹风组件用于向隔膜组件的末端吹气,以使隔膜组件的末端伸直。本实施例能够防止隔膜组件的末端叠形成Z字型折痕,避免了隔膜组件的末端的厚度增加,从而提升锂离子电池的能量密度。

图片来源于网络,如有侵权,请联系删除
今年以来豪鹏科技新获得专利授权23个,较去年同期增加了109.09%。结合公司2025年中报财务数据,2025上半年公司在研发方面投入了1.49亿元,同比减5.4%。

图片来源于网络,如有侵权,请联系删除
通过天眼查大数据分析,深圳市豪鹏科技股份有限公司共对外投资了7家企业,参与招投标项目29次;财产线索方面有商标信息13条,专利信息865条,著作权信息28条;此外企业还拥有行政许可72个。
数据来源:天眼查APP
以上内容为证券之星据公开信息整理,由AI算法生成(网信算备310104345710301240019号),不构成投资建议。