长安汽车获得发明专利授权:“一种变速器斜齿轮的设计方法”
72329
2026月02月14日
证券之星消息,根据天眼查APP数据显示长安汽车(000625)新获得一项发明专利授权,专利名为“一种变速器斜齿轮的设计方法”,专利申请号为CN202211487835.5,授权日为2026年2月13日。

图片来源于网络,如有侵权,请联系删除
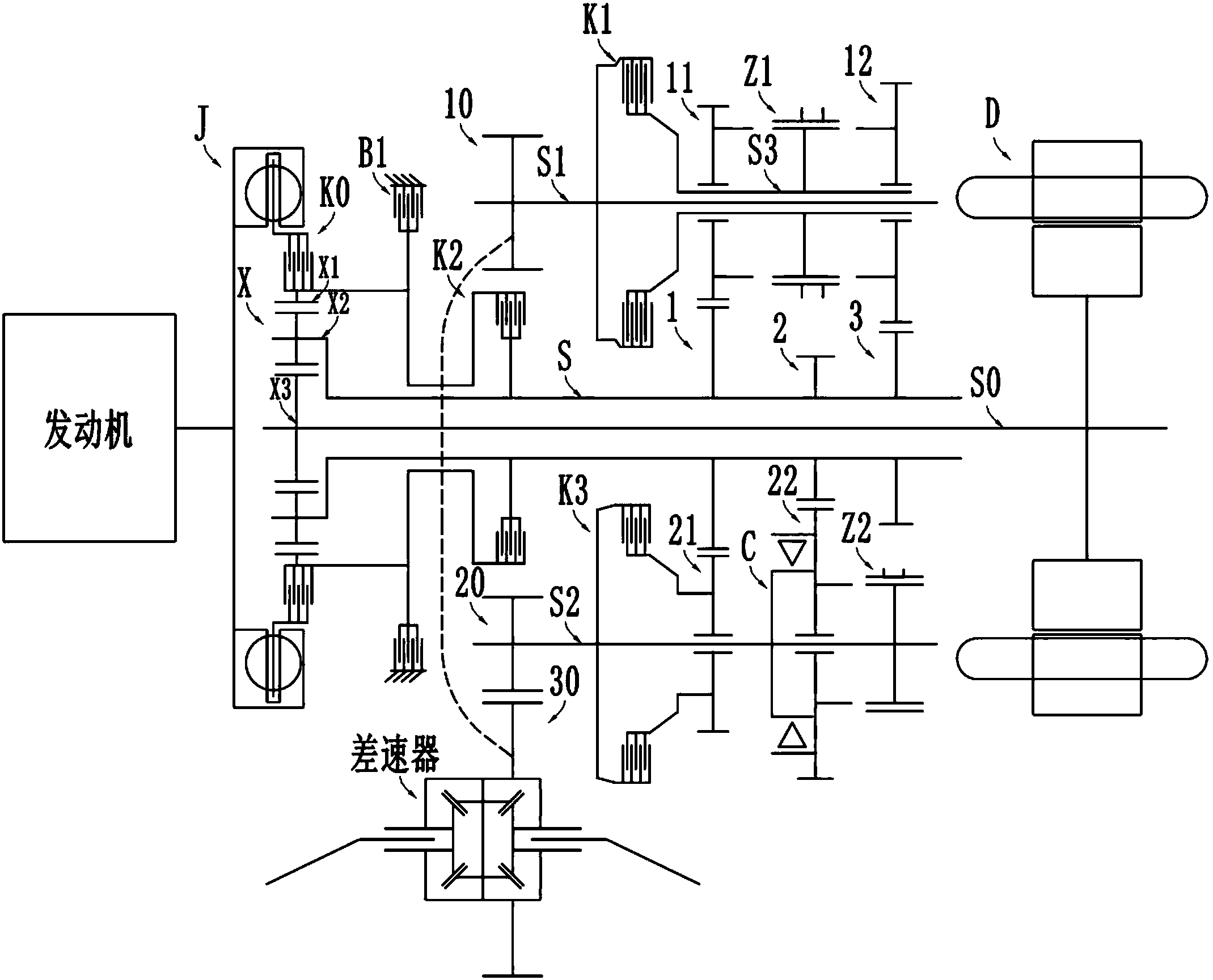
专利摘要:本发明公开了一种变速器斜齿轮的设计方法,其包括如下步骤:S1,基于产品设计任务书形成若干组斜齿轮初始参数组合数据;S2,以重合度作为约束条件,计算得到各阶次齿轮谐波的传递误差,评估得到的传递误差是否满足设定要求;S3,采用蜗杆砂轮对S2初步确定斜齿轮参数组合的斜齿轮样件进行磨齿,微观测量并评估测量参数是否满足设计要求;S4,识别齿面规则纹理的波纹幅值和波形数;S5,在S2初步确定的斜齿轮参数组合约束下,带入由S4实际计量读取的波纹幅值和波形数,计算磨齿齿形波纹影响下各剂次齿轮谐波的传递误差,评估传递误差是否满足设定要求。其能够在设计初期有效降低谐波噪音风险,提升变速器NVH性能,缩短开发周期,降低开发成本。

图片来源于网络,如有侵权,请联系删除
今年以来长安汽车新获得专利授权209个,较去年同期减少了16.4%。结合公司2025年中报财务数据,2025上半年公司在研发方面投入了32.84亿元,同比增12.76%。

图片来源于网络,如有侵权,请联系删除
数据来源:天眼查APP
以上内容为证券之星据公开信息整理,由AI算法生成(网信算备310104345710301240019号),不构成投资建议。